Mr400692 Infinity Wiring Diagram

Integrating Bypassing Removing 2g Inifinity Amp W Diagram Pics

Integrating Bypassing Removing 2g Inifinity Amp W Diagram Pics

Wiring Harness And Din 6 Pin Cable For 1997 Mitsubishi Eclipse

Wiring Harness And Din 6 Pin Cable For 1997 Mitsubishi Eclipse

Great 97 Jeep Grand Cherokee Infinity Gold Wiring Diagram

Great 97 Jeep Grand Cherokee Infinity Gold Wiring Diagram

Free Infinity Wiring Diagrams Youtube

Free Infinity Wiring Diagrams Youtube

New 2004 Dodge Ram 1500 Infinity Wiring Diagram Diagram

New 2004 Dodge Ram 1500 Infinity Wiring Diagram Diagram

New 2004 Dodge Ram 1500 Infinity Wiring Diagram Diagram

New 2004 Dodge Ram 1500 Infinity Wiring Diagram Diagram

New 2004 Dodge Ram 1500 Infinity Wiring Diagram Diagram

Browse the library of infinitybox power documentation and wiring diagrams.

Mr400692 infinity wiring diagram. Infinitybox can bus system is perfect for commercial applications motor sports solutions and after market muscle car mods. Mitsubishi car radio stereo audio wiring diagram autoradio connector wire installation schematic schema esquema de conexiones stecker konektor connecteur cable shema car stereo harness wire speaker pinout connectors power how to install. Find many great new used options and get the best deals for 00 05 mitsubishi eclipse gt infinity amplifier amp mr400692 oem at the best online prices at ebay. Mitsubishi car radio wiring diagrams.

This might help some of you if the above hasn t already. Below is the wiring diagram from the service manual. The infiniti established in 1989 was originally intended to compete in the us premium car market along with other brands like the lexus and acura japanese european as well as bmw and audi and she was able to create a global network in a fairly small amount of time. The section below includes manuals and installation guides for all of the infinitybox products.

Car radio wire diagram stereo wiring diagram gm radio wiring diagram. So if your going to run an aftermarket deck and an aftermarket 4 channel amp just tap the wires from the wiring harness under the passenger seat to the amp. Five star car stereo 145 380 views. Your source for infiniti wire information wiring information technical help for your new or used vehicle infiniti technical wiring diagrams wire information wirediagram.

It also includes standard configurations for most of our common systems. Definately works update when i tried the balance adjustment on the stereo i found out that left was right and right was left so if your worried about t. Infiniti car manuals pdf above the page ex35 ix35 q40 q50 q60 q70 qx80 qx56 fx45 fx50 g m.

Mr400692 Infinity Wiring Diagram Infinity Gold 56007499 Wiring

Mr400692 Infinity Wiring Diagram Infinity Gold 56007499 Wiring

01 Mitsubishi Eclipse Gt Aftermarket Stereo Install Update 1 Youtube

01 Mitsubishi Eclipse Gt Aftermarket Stereo Install Update 1 Youtube

Mr400692 Wiring Diagram Liar Repeat24 Klictravel Nl

Mr400692 Wiring Diagram Liar Repeat24 Klictravel Nl

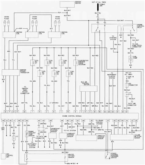
Zx 6442 Mitsubishi Eclipse Electrical Schematics Schematic Wiring

Zx 6442 Mitsubishi Eclipse Electrical Schematics Schematic Wiring

Subwoofer Wiring Diagrams With Images Subwoofer Wiring Car

Subwoofer Wiring Diagrams With Images Subwoofer Wiring Car

Mitsubishi Car Radio Stereo Audio Wiring Diagram Autoradio

Mitsubishi Car Radio Stereo Audio Wiring Diagram Autoradio

Plc Digital Signals Wiring Techniques With Images Ladder Logic

Plc Digital Signals Wiring Techniques With Images Ladder Logic

Kia Car Radio Stereo Audio Wiring Diagram Autoradio Connector Wire

Kia Car Radio Stereo Audio Wiring Diagram Autoradio Connector Wire

Kia Sedona Ex Need A Wiring Diagram For The Infinity Sound With

Kia Sedona Ex Need A Wiring Diagram For The Infinity Sound With

Mr400692 Wiring Diagram Wind Balmoond19 Mooiravenstein Nl

Mr400692 Wiring Diagram Wind Balmoond19 Mooiravenstein Nl

Infinity Kappa 800w Selectable Smart Impedance Ssi Subwoofer

Infinity Kappa 800w Selectable Smart Impedance Ssi Subwoofer

Subwoofer Wiring Diagrams With Images Subwoofer Wiring Car

Subwoofer Wiring Diagrams With Images Subwoofer Wiring Car

Pin On Car Audio

Pin On Car Audio

Mr400692 Wiring Diagram Mitsubishi Eclipse 3g Club

Mr400692 Wiring Diagram Mitsubishi Eclipse 3g Club

Source : google.com

Random Posts